home                consulting              products & tools               clients                about 


 logo

CONTROL SYSTEM DESIGN





(781) 454-7648

       info@RockfieldResearch.com

       Microprocessors are EVERYWHERE !!!   They are not just in your smarphone, but your wristwatch, your car, your thermostat, your microwave oven....perhaps even your toothbrush.  Have you been waiting to modernize your product line with the advantages of Embedded control? 

      Rockfield Research has decades of experience in the design of control systems for many applications.  Let us help you make your embedded control product design easy, economical, and robust!

____________________________________________________________________________
       MICROPROCESSORS:    You can buy a full 32-bit RISC ARM7 micro with on-board flash, sram, and peripherals....for under three dollars.   Entire circuit boards full of control logic can be replaced by less than a square inch of computer power -- timers, serial ports, digitizers, pulse-width modulation, USB and Ethernet interfaces, and more!   Below is our favorite -- the NXP LPC2101 ARM7 microprocessor.  It is the base of a family of related micros with many variants of peripherals, pin counts, and memory size. 
       The advantages of microprocessor control are endless -- reduced cost and chip count, easier test and debug, and many product changes require only a firmware revision, without costly board changes.    The tradeoffs are extra upfront costs for software development, a programming step during assembly/test, and the finite response speed of the program.  Let us make your transition to embedded microprocessor control fast and easy.
         In addition to our favorite ARM7 line, Rockfield Research has extensive experience with STM32, PIC and 8051 class microprocessors for product development.

                    _____________________________________________________________________________
        PROGRAMMABLE LOGIC:    Often the finite response speed of a CPU is a showstopper for embedded control.  Fault logic may require response times in nanoseconds rather than microseconds or milliseconds.  Rather than revert to discrete logic gates, you can embed programmable gate arrays in your design.  These have several variants:
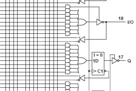
     >>>   PALs  (Programmed Array Logic) are first generation programmable logic, with tens of memory cells and hundreds of logic connections.  These are quite simple, easy to use, but generally have fixed architecture with burnable fuses for the cell inputs (as in the schematic fragment at right).
     >>>   CPLDs  (Complex Programmable Logic Devices) are next generation devices, and can be configured many ways via multiplexed cell configuration blocks.  These may have hundreds of memory cells and thousands of logic connections.  These are robust, easy to use, and are adequate for most needs.
     >>>    FPGAs  (Field Programmable Gate Arrays) are the next step up. 
These are the ULTIMATE in speed and capability, second only to a custom integrated circuit.  Extremely dense cell arrays are connected by complex busses of configurable interconnections, and dedicated block structures have embedded high-speed communication peripherals, I/O ports, and often embedded CPUs right in the matrix of gates.

      Any of these device types will add tremendous advantages to your control circuit design.  Cost and size are reduced as the chip count is reduced, and reconfigurability means fewer design revisions.  We can design programmable logic into your system, plus bury the programming and verification of these chips right into your test fixturing.

_______________________________________________________________________________________________
          COMMUNICATION:   Many applications bury the embedded control as a standalone processor.  You may want to provide an external interface, however.  This might be a customer interface, or it might be buried, and used for factory testing and/or tuning.  Rockfield Research has experience adding all of the I/O standards to control circuits:   RS-232, RS-485, USB, Ethernet, Bluetooth, as well as proprietary data protocols and fiber-optic isolation.
                                                             

_______________________
plc5
the Allen Bradley
PLC5 system

______________________________________________________________________
         PLC:   Between embedded control and standalone computing is an intermediate control architecture widely used for factory automation -- the Programmable Logic Controller (PLC).   These are standalone controllers which emulate wired-relay logic connections.  The entire architecture is dedicated to continuously scanning all the inputs and properly actuating the output responses, and is thus more robust than control softward layered on a conventional PC operating system (such as Windows).  PLC configurations range from compact single units to distributed racks of modules tied via networking.
         Do you need help evaluating whether PLC control is the right answer for your job? 
                    We can help!

________________________ ______________________________________
________________________________
   
optics                    electronics                  CONTROLS                 big data               contact